Gate-Level Design of an 8-Bit Von Neumann CPU

Complete 8-bit processor built at the gate level

A fully functional 8-bit CPU designed from scratch based on the Von Neumann architecture.
The processor integrates all fundamental components — including datapath, memory, control logic, and an arithmetic logic unit — constructed at the gate level without high-level abstractions.


The complete system combines the control logic, arithmetic unit, and register modules. A common 8-bit data bus interconnects all subsystems, enabling seamless transfer of instructions and data between memory, the ALU, and registers.

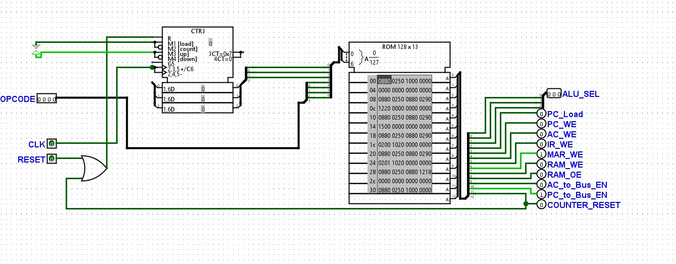
Top-level schematic of the processor showing the datapath, memory, and program control units working together. The modular structure ensures each block — from instruction register to RAM — can be tested and integrated independently.

The Arithmetic Logic Unit supports eight arithmetic and logical operations, with carry-out and zero flags for conditional branching. At its core lies a gate-level full adder, which serves as the building block for multi-bit operations.